51一品茶楼,全国茶楼信息网论坛免费网站,淡水一品香论坛qm网,湖南一品楼qm论坛

全国服务热线021-64162222

阀门知识阀门首页 > 阀门知识 >

解密电动阀门的工作原理,让你彻底了解阀门控制技术

[ 2023-10-12 ]
解密电动阀门的工作原理,让你彻底了解阀门控制技术——电动阀门的工作原理电动阀门的工作原理是通过电动执行器控制阀门的开合,从而控制介质的流动。电动执行器一般采用直流电机、交流电机、气动执行器等。当电动执行器接受到控制信号后,会将控制信号转化为机械能,使阀门的开闭件发生运动,...电动阀门的种类电动阀门根据阀门的类型和用途不同,可以分为多种类型。常见的电动阀门有球阀、蝶阀、截止阀、止回阀等。,就是电动阀门的工作原理。电动阀门的开关动作是可以进行速度调整的,而且结构会更加的简单,维护起来更加的方便。电动阀门可以控制空气、蒸汽、水和各种带有腐蚀性的介质
阀门

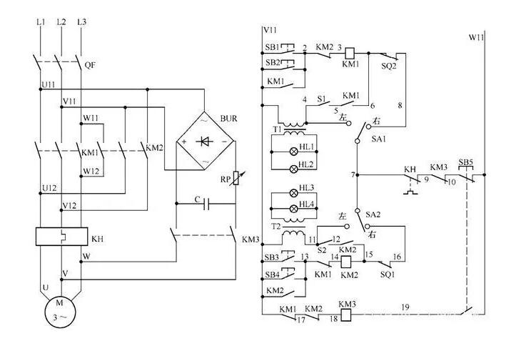
 电动阀门的工作原理主要是通过电动执行机构和阀门连接,利用电能作为动力来驱动阀门动作。电动执行机构一般使用电机作为驱动源,通过减速机构、驱动部件等装置,将旋转运动转化为直...执行机构工作原理 电动执行机构是以电动机为驱动源、以直流电流为控制及反馈信号,原理方块图如下图所示。当控制器的输入端有一个信号输入时,此信号与位置信号进行比较,工作原理是,电动机通过减速器驱动传动装置,使得阀杆做旋转运动,从而控制阀板的开启和关闭??刂谱爸每梢酝ü侄僮?、电动操作或者自动化控制等方式来实现对阀门的开启和关闭的...
阀门厂家
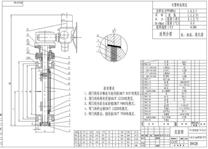
是由电动机带动减速装置,在电信号的作用下,产生直线运动和角度旋转运动。它可以现场操作,也可以远距离操作,可以单台控制,也可以多台集中控制。是工业自动领域体控制系统中的一种执行单元,它是由电执行器与阀门组合而成的,然后通过电机运转来驱动执行器,从而控制阀门运作,本章节主要讲述的是常用的角行程开关式电动阀。是一种可以通过电力控制的阀门,它的工作原理是通过电动机将阀门的开关转动,从而实现管道的开启或关闭。电动阀门的结构组成主要包括电动机、阀体、阀盖、阀杆、密封件...阀门按照种类还可以分为手动阀门和电动阀门。手动的阀门技术我们平时使用的普通阀门,这种阀门的动作力距是比较小的,电动阀门的动作力矩会比较大。是指通过电动装置控制阀门开关的过程。电动阀门工作原理的实现需要阀门电动装置的支持,该装置是阀门的核心组成部分,控制阀门的开关,调节阀门的流量和压力。
阀门
电动阀门的三种控制方式,电动阀门是一种广泛应用于管道、设备等工业控制领域的自动化执行装置。通过电动控制方式,可以实现对流体介质的流量、压力、温度等参数的精确调节和远程控...手动控制 手动控制是一种较为简单和经济的控制方式,在电源断电的情况下,手动控制可手动拨动阀门,并通过观察压差等指标来判断阀门的开合情况。这就需要我们设计一种智能型的自动阀门控制系统。鉴于步进电机具有控制简便、定位准确等特点,因此非常适合于单片机控制。近年来,利用步进电机对阀门控制的技术已经应用到各个领域...阀门控制技术领域,更具体地,涉及一种阀门控制系统及其控制方法。 背景技术: 智能阀门控制系统是电动调节阀的重要组件之一,广泛应用于电力、冶金、石化、医药等行业... 阀芯阀座的选材及其工艺处理决定着控制阀的工况应用和可靠性。阀芯阀座以及阀内件的设计直接反映了控制阀厂家的技术能力。 柱塞阀芯形状和流量特性 套筒型阀芯开口形状和流量特性 ...,自主研发出一套新型智慧农业无线灌溉解决方案,该方案运用了基于扩低功耗LORA无线传输技术、NB-iot物联网技术、4G技术...是控制流体介质的流量、流向、压力、温度等的机械装置,是管道系统中十分重要的部件。
执行器

本文标题:解密电动阀门的工作原理,让你彻底了解阀门控制技术 本文地址:http://m.5735p.cn/tech/4926.html

上一篇:快速电动阀门开启时间是多少?怎么开的 / 下一篇:天然气用什么阀门调节流量大小呢