51一品茶楼,全国茶楼信息网论坛免费网站,淡水一品香论坛qm网,湖南一品楼qm论坛

全国服务热线021-64162222

阀门知识阀门首页 > 阀门知识 >

电动阀门的正确接线方法和图解

[ 2023-07-03 ]
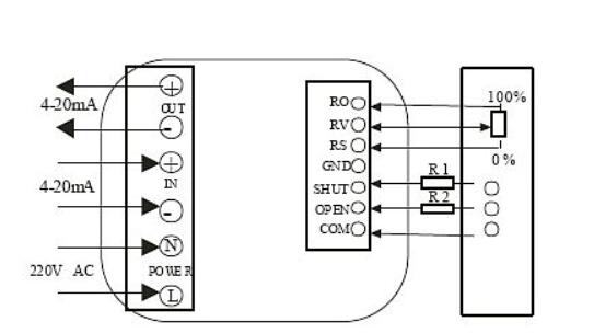
电动阀门的正确接线方法和图解?电动阀一般交由电动执行机构及阀门连接起来,几经安装调试后才成为电动阀。它不仅可以实现开关作用,调节型电动阀还可以实现阀位调节功能。电动执行器的行程可分为:90°角行程和直行程两种,特殊要求还可以满足180°、270°、360°全行程。由角行程的电动执行器配合角行程的阀使用,实现阀门90°以内旋控制管道流体通断;直行程的电动执行器配合直行程的阀使用,实现阀板上下动作控制管道流体通断。2、电动阀使用电能作为动力来接通电动执行机构驱动阀门,实现阀门的的开关、调节...电动阀: 电动阀:电动调节阀(可以控制开度??闪鹘诜?与电动阀(只能控制开关不能控制开度),交流一般3根线,火线、零线、地线。电磁阀:智能开关阀门不能控制开度。通电开,断电自动关闭复位。电动调节阀接线:电源2根,开度控制2根,开度反馈2根,共六根。
电动阀门执行器按电源电压一般可分交流(AC110V、AC220V、AC380V),直流(DC24V、DC12V),按控制方式分为有源开关式、无源开关式、电位计型、防爆型、调节型等。
电动阀门

通过下面不同的接线图:

1、有源开关式,普通开关型带有源灯指示接线图
2、无源开关式,开关型无源触点型带反馈接线图
3、开度式电位计型,开关型带开度式接线图
4、智能调节式,输入输出4-20mA,智能调节型接线图
5、交流AC380V,带无源触点反馈,380V电源接线图

电动阀的接线方法通常包括以下步骤:1. 确定控制器的电源和电压:在接线之前,需要确定控制器的电源和电压,确保电动阀与控制器的电源和电压相同。2. 连接阀体:将电动阀与管道连接,并确保紧固。3. 接线:将电动阀的三根电线分别接到控制器对应的接线端子上。其中,一根为正极,一根为负极,还有一根为控制信号线。具体接线方法可按照电动阀和控制器的说明书进行连接。4. 调试:接线完成后,需要对电动阀进行调试。首先,确??刂破骱偷缍У牡缭戳诱?;其次,通过控制器发送信号,测试电动阀是否能够正常工作;最后,检查管道连接处是否漏水。需要注意的是,在接线过程中,要遵循安全操作规程,确保操作人员和设备的安全。
阀门

接线方式:三线制电动阀有F/R/N三条线,F代表正向动作(或者open动作)控制线,R代表反向动作(或者close动作)控制线,N代表地线。

电动阀特点:

  1. 结构十分简单,使用寿命。2.适用于几乎所有介质,粘度最大600mm2/s(厘斯)。3.耐高温、耐化学腐蚀。4.防爆费用低,

    接线就明:
    白线:电源共用端
    红线:电动阀开电源
    蓝线:电动阀关电源
    绿线:信号反馈共用端
    黄线:阀门关时输出信号电源(220V)
    黑线:阀门开时输出信号电源(220V)
    (黄与黑线根据需要选择,简单反馈只需接其中上根就好了)
    电动阀门厂家
    如果是AC220V电源的,应该是7根线。1根公共线,1根开线,1根闭线,2根控制线,2根反馈线。如果是DC24V电源的,就是6根线。2根电源线,2根控制线,2根反馈线。

本文标题:电动阀门的正确接线方法和图解 本文地址:http://m.5735p.cn/tech/4602.html

上一篇:热水管道应该用什么阀门比较好 / 下一篇:电动阀门的维护和保养要求有哪些