51一品茶楼,全国茶楼信息网论坛免费网站,淡水一品香论坛qm网,湖南一品楼qm论坛

全国服务热线021-64162222

蝶阀知识阀门首页 > 阀门知识 > 蝶阀知识 >

气动衬胶蝶阀D671J-10Q DN500产品介绍及图片

[ 2025-07-25 ]
D671J-10Q气动衬胶蝶阀 是一种采用气动驱动的衬胶蝶阀,主要用于工业管道中流体的调节和截流,具有结构紧凑、密封可靠等特点。 ‌
蝶阀

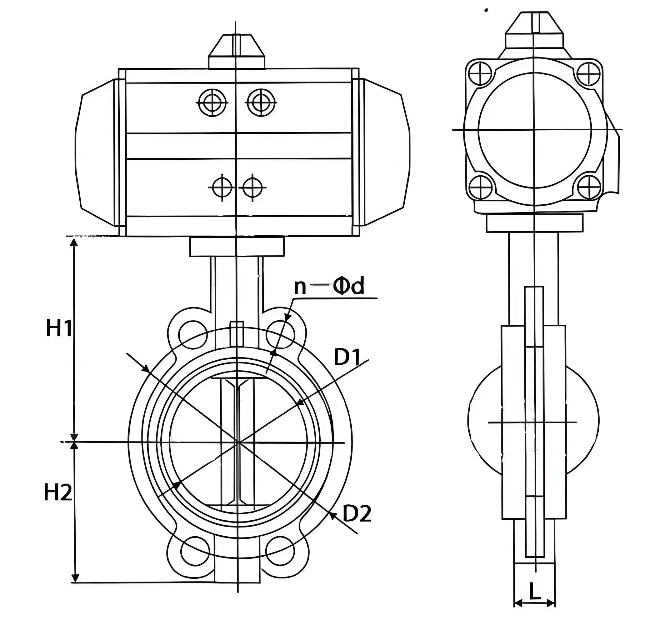
结构特点

采用对夹式结构,蝶板安装在管道直径方向,通过阀体圆柱形通道内圆盘形蝶板的旋转(0°-90°)实现开关控制。阀体材质包括 球墨铸铁 、 碳钢 或 不锈钢 ,阀板材质为 球墨铸铁 、304/ 316不锈钢 或 尼龙 ,适用于不同工况需求。 ‌
 

适用场景

适用于食品、化工、石油、电力、环保等行业的流体控制场景,尤其适合粘稠、含颗?;蛳宋橹实墓艿?。其密封设计可实现双向密封(零泄漏),且可在任何位置安装。
电动阀

技术参数

  • ‌公称通径‌:DN50-3000
  • ‌公称压力‌:1.0-2.5MPa
  • ‌工作温度‌:-23℃至+135℃(橡胶材质限制)
  • ‌驱动方式‌:气动(双作用活塞式执行机构)
  • ‌密封材料‌: EPDM 、 NBR 或 耐磨橡胶 ,适配水、空气、污水等介质。 ‌
电动蝶阀

优势特性

  1. ‌轻量化设计‌:重量轻、体积小,节省空间
  2. ‌低操作力矩‌:旋转角度0°-90°,操作省力
  3. ‌耐腐蚀性‌:橡胶密封件耐弱腐蚀,使用寿命长
  4. ‌维护便捷‌:半轴无销连接结构,现场拆装快速

蝶阀

本文标题:气动衬胶蝶阀D671J-10Q DN500产品介绍及图片 本文地址:http://m.5735p.cn/tech-diefa/6977.html

上一篇:电动蝶阀D943-16C DN800产品介绍及结构图 / 下一篇:大口径供热电动蝶阀DN1200 2.5MPa≥130℃