
蝶阀知识
阀门首页 > 阀门知识 > 蝶阀知识 >
更多相关产品点击:蝶阀
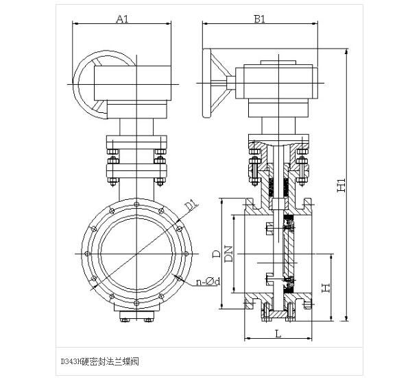
法兰蝶阀D343H-25 DN600代表的含义是:D代表阀门类型为蝶阀,3代表驱动装置为蜗轮,4代表连接方式为法兰,3代表结构形式为三偏心,H代表阀座堆焊为不锈钢,25代表公称压力为2.5MPA,DN600代表阀门的公称直径为600毫米。

具体来说,D343H-25中的每个字母和数字都有其特定的含义:

这种阀门通常用于介质温度≤425℃的冶金、电力、石油化工、给排水和市政建设等工业管道上,主要用于调节流量和截断流体。金属硬密封蝶阀采用三偏心密封结构,阀座与蝶板几乎无磨损,具有越观越紧的密封功能。密封圈选用不锈钢制作,具有金属硬密封和弹性密封的双重优点,无论在低温和高温的情况下,均具有优良的密封性能,具有耐腐蚀,使用寿命长等特点。蝶板密封面采用堆焊钴基硬质合金,密封面耐磨损,使用寿命长。大规格蝶板采用绗架结构,强度高,过流面积大,流阻小。金属硬密封蝶阀具有双向密封功能,安装时不受介质流向的限制,也不受空间位置的影响,可在任何方向安装。驱动装置可以多工位(旋转90°或180°)安装,便于用户使用。

|
型号
|
D343H-10
D343H-16
D343H-25
D343H-40
|
D343H-10P
D343H-16P
D343H-25P
D343H-40P
|
D343H-10R
D343H-16R
D343H-25R
D343H-40R
|
|
|
工作压力(MPa)
|
1.0~4.0
|
|||
|
适用温度(℃)
|
≤425
|
≤200
|
||
|
适用介质
|
水、油或非腐蚀性介质
|
硝酸类介质
|
醋酸类介质
|
|
|
材料
|
阀体、蝶板
|
WCB
|
CF8/304
|
CF3M/316L
|
|
阀杆
|
2Cr13
|
304
|
316L
|
|
|
阀体密封面
|
堆焊 507
|
-
|
-
|
|
|
蝶板密封面
|
304+柔性石墨
|
304+PTFE
|
304+PTFE
|
|
|
填料
|
柔性石墨
|
PTFE
|
PTFE
|
|
|
公称通径
|
长度
标准值
|
外形尺寸
(参考值)
|
连接尺寸
(标准值)
|
重量
(kg)
|
||||||||||
|
L
|
H
|
H1
|
A1
|
B1
|
PN0.6MPa
|
PN1.0MPa
|
||||||||
|
毫米
|
英寸
|
短
|
长
|
D
|
D1
|
Z-d
|
D
|
D1
|
Z-d
|
|||||
|
50
|
2
|
108
|
150
|
112
|
350
|
180
|
200
|
140
|
110
|
4-14
|
165
|
125
|
4-18
|
17
|
|
65
|
21/2
|
112
|
170
|
115
|
370
|
180
|
200
|
160
|
130
|
4-14
|
185
|
145
|
4-18
|
20
|
|
80
|
3
|
114
|
180
|
120
|
380
|
180
|
200
|
190
|
150
|
4-18
|
200
|
160
|
8-18
|
23
|
|
100
|
4
|
127
|
190
|
138
|
420
|
180
|
200
|
210
|
170
|
4-18
|
220
|
180
|
8-18
|
25
|
|
125
|
5
|
140
|
200
|
164
|
460
|
180
|
200
|
240
|
200
|
8-18
|
250
|
210
|
8-18
|
40
|
|
150
|
6
|
140
|
210
|
175
|
555
|
270
|
280
|
265
|
225
|
8-18
|
285
|
240
|
8-22
|
47
|
|
200
|
8
|
152
|
230
|
208
|
605
|
270
|
280
|
320
|
280
|
8-18
|
340
|
295
|
8-22
|
60
|
|
250
|
10
|
165
|
250
|
243
|
680
|
270
|
280
|
375
|
335
|
12-18
|
395
|
350
|
12-22
|
95
|
|
300
|
12
|
178
|
270
|
283
|
800
|
380
|
420
|
400
|
395
|
12-22
|
445
|
400
|
12-22
|
124
|
|
350
|
14
|
190
|
290
|
310
|
835
|
380
|
420
|
490
|
445
|
12-22
|
505
|
460
|
16-22
|
181
|
|
400
|
16
|
216
|
310
|
340
|
915
|
450
|
470
|
540
|
495
|
16-22
|
565
|
515
|
16-26
|
260
|
|
450
|
18
|
222
|
330
|
380
|
960
|
480
|
490
|
595
|
550
|
16-22
|
615
|
565
|
20-26
|
338
|
|
500
|
20
|
229
|
350
|
410
|
1020
|
480
|
490
|
645
|
600
|
20-22
|
670
|
620
|
20-26
|
360
|
|
600
|
24
|
267
|
390
|
470
|
1225
|
480
|
490
|
755
|
705
|
20-26
|
780
|
725
|
20-30
|
540
|
|
700
|
28
|
292
|
430
|
550
|
1355
|
640
|
660
|
860
|
810
|
24-26
|
895
|
840
|
24-30
|
580
|
|
800
|
32
|
318
|
470
|
640
|
1470
|
640
|
660
|
975
|
920
|
24-30
|
1015
|
950
|
24-33
|
845
|
|
900
|
36
|
330
|
510
|
710
|
1545
|
750
|
860
|
1075
|
1020
|
24-30
|
1115
|
1050
|
28-33
|
1050
|
|
1000
|
40
|
410
|
550
|
770
|
1795
|
850
|
900
|
1175
|
1120
|
28-30
|
1230
|
1160
|
28-36
|
1500
|
|
1200
|
48
|
470
|
630
|
890
|
1965
|
850
|
900
|
1405
|
1340
|
32-33
|
1455
|
1380
|
32-39
|
2000
|
|
公称通径
|
长度
标准值
|
外形尺寸
(参考值)
|
连接尺寸
(标准值)
|
重量
(kg)
|
||||||||||
|
L
|
H
|
H1
|
A1
|
B1
|
PN1.6MPa
|
PN2.5MPa
|
||||||||
|
毫米
|
英寸
|
短
|
长
|
D
|
D1
|
Z-d
|
D
|
D1
|
Z-d
|
|||||
|
50
|
2
|
108
|
150
|
112
|
350
|
180
|
200
|
165
|
125
|
4-18
|
165
|
125
|
4-18
|
19
|
|
65
|
21/2
|
112
|
170
|
115
|
370
|
180
|
200
|
185
|
145
|
4-18
|
185
|
145
|
8-18
|
22
|
|
80
|
3
|
114
|
180
|
120
|
380
|
180
|
200
|
200
|
160
|
8-18
|
200
|
160
|
8-18
|
25
|
|
100
|
4
|
127
|
190
|
138
|
420
|
180
|
200
|
220
|
180
|
8-18
|
235
|
190
|
8-22
|
28
|
|
125
|
5
|
140
|
200
|
164
|
460
|
180
|
200
|
250
|
210
|
8-18
|
270
|
220
|
8-26
|
43
|
|
150
|
6
|
140
|
210
|
175
|
555
|
270
|
280
|
285
|
240
|
8-22
|
300
|
250
|
8-26
|
50
|
|
200
|
8
|
152
|
230
|
208
|
605
|
270
|
280
|
340
|
295
|
12-22
|
360
|
310
|
12-26
|
64
|
|
250
|
10
|
165
|
250
|
243
|
680
|
270
|
280
|
405
|
355
|
12-26
|
425
|
370
|
12-30
|
99
|
|
300
|
12
|
178
|
270
|
283
|
800
|
380
|
420
|
460
|
410
|
12-26
|
485
|
430
|
16-30
|
130
|
|
350
|
14
|
190
|
290
|
310
|
835
|
380
|
420
|
520
|
470
|
16-26
|
555
|
490
|
16-33
|
188
|
|
400
|
16
|
216
|
310
|
340
|
915
|
450
|
470
|
580
|
525
|
16-30
|
620
|
550
|
16-36
|
270
|
|
450
|
18
|
222
|
330
|
380
|
960
|
450
|
470
|
640
|
585
|
20-30
|
670
|
600
|
20-36
|
350
|
|
500
|
20
|
229
|
350
|
410
|
1020
|
480
|
490
|
715
|
650
|
20-33
|
730
|
660
|
20-36
|
375
|
|
600
|
24
|
267
|
390
|
470
|
1225
|
640
|
660
|
840
|
770
|
20-36
|
845
|
770
|
20-39
|
560
|
|
700
|
28
|
292
|
430
|
550
|
1355
|
640
|
660
|
910
|
840
|
24-36
|
960
|
875
|
24-42
|
610
|
|
800
|
32
|
318
|
470
|
640
|
1470
|
640
|
660
|
1025
|
950
|
24-39
|
1085
|
990
|
24-48
|
880
|
|
900
|
36
|
330
|
510
|
710
|
1545
|
650
|
860
|
1125
|
1050
|
28-39
|
1185
|
1090
|
28-48
|
1100
|
|
1000
|
40
|
410
|
550
|
770
|
1795
|
650
|
900
|
1255
|
1170
|
28-42
|
1320
|
1210
|
28-56
|
1600
|
|
1200
|
48
|
470
|
630
|
890
|
1965
|
650
|
900
|
1485
|
1390
|
32-48
|
1530
|
1420
|
32-56
|
2150
|
|
公称通径
|
结构长度(标准值)
|
外形尺寸(参考值)
|
连接尺寸(标准值)
|
|||||||
|
L
|
H
|
H1
|
A1
|
B1
|
PN4.0MPa
|
|||||
|
毫米
|
英寸
|
短
|
长
|
D
|
D1
|
Z-d
|
||||
|
50
|
2
|
108
|
150
|
112
|
350
|
180
|
200
|
165
|
125
|
4-18
|
|
65
|
21/2
|
112
|
170
|
115
|
370
|
180
|
200
|
185
|
145
|
8-18
|
|
80
|
3
|
114
|
180
|
120
|
380
|
180
|
200
|
200
|
160
|
8-18
|
|
100
|
4
|
127
|
190
|
138
|
420
|
180
|
200
|
235
|
190
|
8-22
|
|
125
|
5
|
140
|
200
|
164
|
460
|
180
|
200
|
270
|
220
|
8-26
|
|
150
|
6
|
140
|
210
|
175
|
555
|
270
|
280
|
300
|
250
|
8-26
|
|
200
|
8
|
152
|
230
|
208
|
605
|
270
|
280
|
375
|
320
|
12-30
|
|
250
|
10
|
165
|
250
|
243
|
680
|
270
|
280
|
450
|
385
|
12-33
|
|
300
|
12
|
178
|
270
|
283
|
800
|
380
|
420
|
515
|
450
|
16-33
|
|
350
|
14
|
190
|
290
|
310
|
830
|
380
|
420
|
580
|
510
|
16-36
|
|
400
|
16
|
216
|
310
|
340
|
915
|
450
|
470
|
660
|
585
|
16-39
|
|
450
|
18
|
222
|
330
|
380
|
960
|
480
|
490
|
685
|
610
|
20-39
|
|
500
|
20
|
229
|
350
|
410
|
1020
|
480
|
490
|
755
|
670
|
20-42
|
上一篇:蝶阀D71X-10Q-DN400型号的含义及产品说明书 / 下一篇:没有了