51一品茶楼,全国茶楼信息网论坛免费网站,淡水一品香论坛qm网,湖南一品楼qm论坛

全国服务热线021-64162222

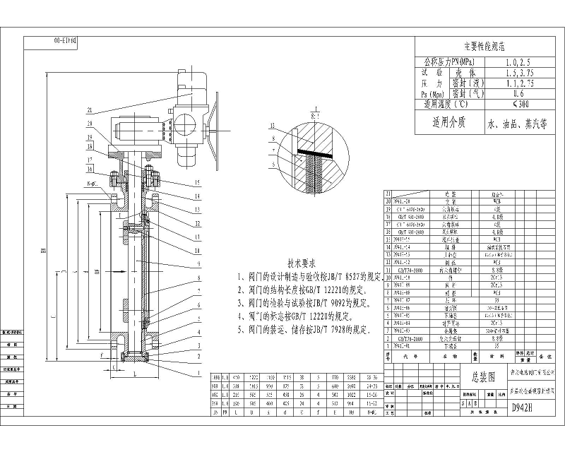
蝶阀知识阀门首页 > 阀门知识 > 蝶阀知识 >

电动蝶阀的结构图及工作原理

[ 2013-08-06 ]
电动蝶阀结构图
电动蝶阀是一种很好的阀门产品,这种蝶阀的蝶板安装于管道的直径方向。在电动蝶阀阀体圆柱形通道内,圆盘形蝶板绕着轴线旋转,旋转角度为0°~90°之间,旋转到90°时,阀门则牌全开状态。
 
电动蝶阀结构简单、体积小、重量轻,只由少数几个零件组成。而且只需旋转90°即可快速启闭,操作简单,同时该阀门具有良好的流体控制特性。电动蝶阀处于完全开启位置时,蝶板厚度是介质流经阀体时唯一的阻力,因此通过该阀门所产生的压力降很小,故具有较好的流量控制特性。电动蝶阀有弹密封和金属的密封两种密封型式。弹性密封阀门,密封圈可以镶嵌在阀体上或附在蝶板周边。
 
采用金属密封的阀门一般比弹性密封的阀门寿命长,但很难做到完全密封。金属密封能适应较高的工作温度,弹性密封则具有受温度限制的缺陷。
 
如果要求电动蝶阀作为流量控制使用,主要的是正确选择阀门的尺寸和类型。电动蝶阀的结构原理尤其适合制作大口径阀门。电动蝶阀不仅在石油、煤气、化工、水处理等一般工业上得到广泛应用,而且还应用于热电站的冷却水系统。
 
常用的电动蝶阀有对夹式电动蝶阀和法兰式电动蝶阀两种。对夹式电动蝶阀是用双头螺栓将阀门连接在两管道法兰之间,法兰式电动蝶阀是阀门上带有法兰,用螺栓将阀门上两端法兰连接在管道法兰上。
本文标题:电动蝶阀的结构图及工作原理 本文地址:http://m.5735p.cn/tech-diefa/306.html

上一篇:电动蝶阀的功率是多少? / 下一篇:蝶阀的安装、操作注意事项