51一品茶楼,全国茶楼信息网论坛免费网站,淡水一品香论坛qm网,湖南一品楼qm论坛

全国服务热线021-64162222

衬氟蝶阀阀门首页 > 产品展示 > 蝶阀 > 衬氟蝶阀 >

产品名称:电动衬氟蝶阀[ 2021-05-17 ]

订购热线:021-64162222
订购传真:021-62677999
质量稳定:实行全过程质量监控,细致入微全方位检测!
价格合理:高效内部成本控制,减少了开支,让利于客户
交货快捷:先进生产流水线,充足的备货,缩短了交货期!
  • 产品介绍
  • 规格尺寸
  • 结构图片
  •  

    一、电动衬氟蝶阀概述


    电动衬氟蝶阀是用阀杆一起转动的蝶板作启闭件,用以实现阀门的开启,关闭与调节。衬里蝶阀是在过流部件、阀体、蝶板、阀杆上采用衬里技术衬里较厚的高分子材料,防腐蚀性能优良,可适用于任何浓度的酸、碱、盐及氧化剂、还原剂、有机溶剂等介质,是化工、石油、医药、食品、钢铁冶炼、造纸、水电等系统的气体、液体、半流体的管路和容器上作截流和调节设备使用的理想产品,并可取代闸阀、截止阀和其它类型的切断、调节阀门。
    用途:本厂生产的全衬聚四氟乙烯(F4)、聚三氟氯乙烯(F3)和聚全氟乙丙烯(F46)氟塑料衬里阀,具有耐腐蚀、无泄漏、寿命长等优点。 适用于浓硫酸、盐酸、硝酸、氢氟酸、王水、各种有机酸、强酸、氧化性介质或高温烯硫酸、高温浓醋酸、酸碱交替及多种有机溶剂和其它强腐蚀性介质。

    二、电动衬氟蝶阀特点

    1、设计新颖、合理、结构独特,重量轻,启闭迅速。
    2、操力矩小,操作方便,省力灵巧。
    3、可以任何位置安装,维修方便。
    4、密封件可以更换,密封性能可靠达到双向密封零泄漏。
    5、密封材料耐老化、耐腐蚀,使用寿命长等特点。

    三、电动衬氟蝶阀衬里材料

    1、聚全氟乙丙烯 FEP F46 
    2、四氟乙烯-乙烯 E-TFE F40 
    3、可溶性四氟 PFA FA 
    4、聚四氟乙烯 PTFE F4 
    5、聚偏二氟乙烯 PVDF F2 
    6、改性聚乙烯 FRPE PO

    四、电动衬氟蝶阀 执行机构

    CH系列特点:
    1.功能强劲:智能型、调节型、开关式。
    2.体积小巧:体积仅相当于同类产品的35%左右。
    3.使用方便:采用单相电源,接线简单;采用独创的球型凸出结构,使观察更方便;免加油免点检、防水防锈、任意角度安装。
    4.?;ぷ爸糜兴叵尬?、过热保护、过载?;?。全行程时间15秒、30秒、45秒、60秒。及带手动功能。
    5.智能数控:内置??椴捎孟冉扑慊テ爸悄芸刂迫砑苯咏邮占扑慊蚬ひ狄潜淼仁涑龅谋曜夹藕牛?-20mA DC /1-5VDC)实现阀门开度的智能控制和精确定位。
    DZW系列特点:
    1.电源:电机为三相交流,380V(特殊订货660V、440V或220V),50Hz(特殊订货60Hz);控制线电压220V/50Hz(特殊订货60Hz);远程控制电压24VDC。
    2.工作环境:
    3.环境温度:-20—+60℃(特殊订货-60—+80℃)
    4.相对温度:≤90%(25℃时)
    5.普通型和户外型用于无易燃/易爆和无腐蚀性介质的场所;防爆型产品有dⅠ和dⅡBT4两种,dⅠ适用于煤矿非采掘工作面;dⅡBT4用于工厂,适用于环境为ⅡA、ⅡB级T1-T4组的爆炸性  气体混合物。(详见GB3836.1)
    6 防护等级:户外型和防爆型为IP55(可订制IP67)。
    7. 工作制:为短时10分钟(可订制30分钟)。

    五、电动衬氟蝶阀采用标准

    设计标准 GB/T2238-1989
    法兰连接尺寸 GB/T9113.1-2000;GB/T9115.1-2000;JB78
    结构长度 GB/T12221-1989
    压力试验 GB/T13927-1992;JB/T9092-1999

    六、电动衬氟蝶阀主要技术参数

    公称通径 DN(mm) 50~2000
    公称压力 PN(MPa) 0.6 1.0 1.6
    试验压力 强度试验 0.9 1.5 2.4
    密封试验 0.66 1.1 1.76
    气密封试验 0.6 0.6 0.6
    适用介质 空气、水、污水、蒸气、煤气、油品等。
    驱动形式 手动、蜗杆蜗轮传动、气传动、电传动。

    六、电动衬氟蝶阀主要零件材质

    零件名称 材料
    阀体 球墨铸钢、铸钢、合金钢、不锈钢
    蝶板 灰铸铁、球墨铸钢、铸钢、不锈钢及特殊材料
    密封圈 各种橡胶、聚四氟
    阀杆 2Cr13、不锈钢
    填料 O型圈、柔性石墨O

     

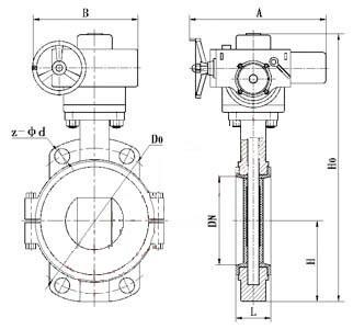
  • 七、电动衬氟蝶阀外形尺寸

     
    公称通径 结构长度
    (标准值)
    外形尺寸
    (参考值)
    连接尺寸(标准值)
    0.6MPa 1.0MPa 1.6MPa
    毫米 英寸 L H H0 A B D0 n-φd D0 n-φd D0 n-φd
    50 2 43 63 438 125 125 110 4-14 125 4-18 125 4-18
    65 21/2 46 70 453 125 125 130 4-14 145 4-18 145 4-18
    80 3 46 83 478 125 125 150 4-18 160 8-18 160 8-18
    100 4 52 105 519 125 125 170 4-18 180 8-18 180 8-18
    125 5 56 115 713 325 245 200 8-18 210 8-18 210 8-18
    150 6 56 137 749 325 245 225 8-18 240 8-22 240 8-22
    200 8 60 164 843 325 245 280 8-18 295 8-22 295 12-22
    250 10 68 206 947 363 313 335 12-18 350 12-22 355 12-26
    300 12 78 230 1013 363 313 395 12-22 400 12-22 410 12-26
    350 14 78 248 1046 363 313 445 12-22 460 16-22 470 16-26
    400 16 102 289 1135 363 313 495 16-22 515 16-26 525 16-30
    450 18 114 320 1328 465 439 550 16-22 565 20-26 585 20-30
    500 20 127 343 1226 546 431 600 20-22 620 20-26 650 20-33
    600 24 154 413 1394 546 556 705 20-26 725 20-30 770 20-36
    700 28 165 478 1534 546 556 810 24-26 840 24-30 840 24-36
    800 32 190 525 1659 546 556 920 24-30 950 24-33 950 24-39
    900 36 203 585 1748 617 706 1020 24-30 1050 28-33 1050 28-39
    1000 40 216 640 1805 632 706 1120 28-30 1160 28-36 1170 28-42
    1200 48 254 755 2035 632 706 1340 32-33 1380 32-39 1390 32-48
    1400 56 279 910 2310 790 1338 1560 36-36 1590 36-42 1590 36-48
    1600 64 318 1030 2845 868 1476 1760 40-36 1820 40-48 1820 40-56
    1800 72 356 1140 3060 868 1476 1970 44-39 2020 44-48 2020 44-56
    2000 80 406 1250 3350 965 1600 2180 48-42 2230 48-48 2230 48-62
     

  • 八、电动衬氟蝶阀结构图



    电动衬氟蝶阀

上一篇:D971F46-16电动衬氟蝶阀 / 下一篇:D971F46-16C电动对夹式衬氟蝶阀